I open my invention, Superconductive generator.
I have not applied for patent.
Anyone in the world including Japan can manufacture Superconductive generator freely.
However, like Superconductive electromagnetic engine, I have not tested it.
So, make it with your own danger and responsibility.
When you manufacture a large-scale Superconductive generator, I recommend that you do precise designing and computer simulation beforehand.
The reason why generation is possible
After getting linear kinetic energy once, the technology for power generation using Superconductive electromagnetic engine converts the linear kinetic energy into rotary kinetic energy, and generates electricity.
However, I have understood that generation is possible without getting linear kinetic energy.
The reason why generation is possible by Superconductive electromagnetic engine is above-mentioned "Energy of Electron".
And, like the technology for power generation using Superconductive electromagnetic engine, Superconductive generator can establish the relations such as next chart.

A: Energy of magnetic field by super-conducting magnet
B: Energy of direct current
C: Electrical energy to keep the super-conducting magnet at low temperature
Therefore, Superconductive generator is not against the laws of thermodynamics, and power generation by Superconductive generator is possible.
Superconductive generator has next two types.
Type 1: Making rotating shaft of a DC electric motor with stators of superconductive magnet and rotating shaft of a generator one common rotating shaft, supplying the DC electric motor with electricity and rotating the rotating shaft common to the motor and the generator, then the generator generates electricity.
Type 2: Making rotating shaft of a DC electric motor with a rotor of superconductive magnet and rotating shaft of a generator one common rotating shaft, supplying the DC electric motor with electricity and rotating the rotating shaft common to the motor and the generator, then the generator generates electricity.
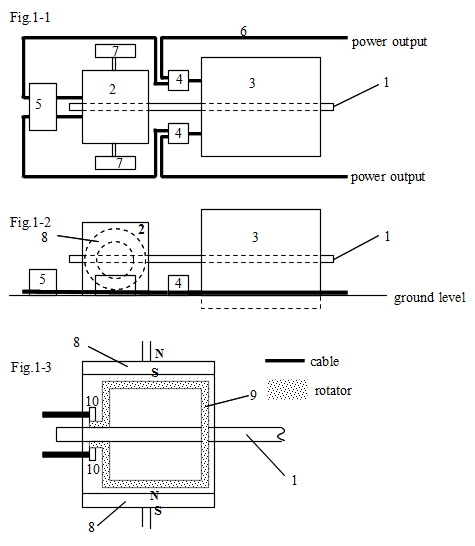
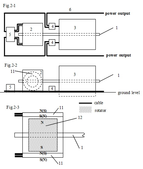
Explanation common to Type 1 and Type 2
Fix a DC motor 2 and a generator 3 to the ground.
The DC motor and the generator have a common rotating shaft 1.
Rotate the rotating shaft of the DC motor by electricity of a DC power supply for start 5.
After the rotating shaft and the rotor (the ones of the DC motor and the generator) have enough rotary kinetic energy, rotate the rotating shaft of the DC motor by not electricity of DC power supply for start but electricity divided the output of the generator by shunts 4.
Then, the rotating shaft rotates the shaft of the generator at the same time, and electricity is produced.
The remaining electricity except the electricity used to rotate the rotating shaft of the DC motor can be used in various uses.
The power supply for start changes both electricity of own supply and electricity supplied from the outside into form necessary for the DC motor including the rotor (Type 1) and the stator (Type 2) and can supply electricity to them.
The shunts divide the electricity of the generator, change it into form necessary and can supply it.
Explanation of type 1
Rotor 9 fixed to the rotating shaft rotates in the magnetic field made by the superconductive magnets 8 with the rotating shaft.
Superconductive coils of the superconductive magnets are cooled by refrigerator 7.
To hold down consumption of electric power, the rotor is iron of big cross section whose electrical resistance is relatively small.
Because of using iron, the rotor is structurally strong.
But, use reinforcing structure, if necessary.
The rotor has structure: direct current is led by brush 10 and commutator, like a usual superconductive motor the direction of the electric current reverses with the turn of the rotor, and it continues to rotate.
It is thought that the induced electromotive force to act on transport current of the superconductive magnets is denied by the regulation of the momentum order in the direction which the transport current flows through.
Explanation of Type 2
Rotor 12 fixed to the rotating shaft rotates in the magnetic field made by normal conductive magnets 11 with the rotating shaft.
The rotor consists of superconductive magnet and refrigerator.
The refrigerator is supplied electricity by using brush and rotary terminal from the outside of the DC motor, but I omitted it on Figures.
Stators are the normal conductive electromagnets.
The normal conductive electromagnets wind up coil a many several times and make strong magnetic force by relatively small electric current.
The power supply for start to supply direct current to the normal conductive electromagnets changes the direction of the electric current so that the rotor continues to rotate.
Because of induced electromotive force to act on the coil of the normal conductive electromagnets and the rotor of the superconductive magnet of big energy source, it is thought that you should design the shape and placement of parts and devices more effectively and efficiently than type 1.
|
[Brief description of figures]
Type 1
[Figure 1-1]
The illustration of the whole Type 1 seeing from the upper.
[Figure 1-2]
The illustration of the whole Type 1 seeing from the side.
[Figure 1-3]
The illustration which explains structure in the motor of Type 1 seeing from the upper.
Type 2
[Figure 2-1]
The illustration of the whole Type 2 seeing from the upper.
[Figure 2-2]
The illustration of the whole Type 2 seeing from the side.
[Figure 2-3]
The illustration which explains structure in the motor of Type 2 seeing from the upper.
[Explanation of the mark]
1: Rotating shaft
2: DC motor
3: Generator
4: Shunt
5: Power supply for start
6: Cable
7: Refrigerator
8: superconductive magnet
9: Iron rotor
10: Brush
11: Normal conductive electromagnet
12: Rotor consisting of superconductive magnet and refrigerator
Type 1

Type 2

|